0769-85317767
首页
QUICK焊接/点胶设备
DATAPAQ炉温仪
FLUKE红外测温仪
包膜机/贴标机
RASEM视觉分板机
我们的案例
关于智邦
联系我们
搜索
中文
|
EN
静电防护
Products center
当前位置:
QUICK焊接/点胶设备
小设备系例
QUICK 442-2离子风机
QUICK 442-2离子风机
特 点
1. 产生大范围离子气流。
2. 离子平衡稳定,且可调节。
3. 采用悬挂式安装,能大大节省空间。
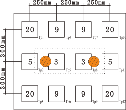
测试示意图
离出风口垂直距离45cm处测试
实用图例
规 格